Huurteen-/ jäätymisenesto

Lämmön talteenotto vaatii automatiikkaa huurtumisen ja jäätymisen ehkäisemiseksi äärioloissa. Liuoskytkentöjä havainnollistavat alla olevat kuvat. Kuvista käy ilmi tehonsäädön ja huurteeneston periaate. Huurteeneston toteuttamiseen on useita vaihtoehtoisia tapoja, alla olevat ovat vain esimerkkejä. Muun muassa lämpötila-, paine-ero- ja aikaohjaus sekä kolmitieventtiili- ja kaksitieventtiiliratkaisut ovat kaikki mahdollisia. Kuvat havainnollistavat myös vain esimerkinomaisesti paisuntasäiliön ja pumpun sijoittamisen. Tarvittavat apulaitteet (venttiilit, ilmaus- ja poistoyhteet yms. putkistovarusteet) on myös esitetty vain esimerkinomaisesti, eli kytkentäkaaviot eivät ole tältä osin täydellisiä.

Neulalämmönsiirtimellä on suuri huurteenkeräyskyky. Lämmönsiirtokyky ei oleellisesti heikenny eikä ilmapuolen painehäviö oleellisesti kasva huurteen keräytyessä. Neulojen pinnoille kerääntyvä huurre ja jää eivät myöskään riko lämmönsiirrintä. Täten neulalämmönsiirtimen rakenne mahdollistaa LTO-järjestelmän – tai alhaisella lämpötilatasolla toimivan jäähdytysjärjestelmän – umpeenjäätymisen eston huurteeneston sijaan. Tämä parantaa LTO-järjestelmän vuosihyötysuhdetta ja toimintavarmuutta sekä vähentää alhaisella lämpötilatasolla toimivan jäähdytyslaitteiston huurteenesto-/ sulatusjaksojen tarvetta.

Paras tai oikea säätötapa riippuu kohteesta. Huurteen- tai umpeen jäätymisen eston säätötavan valintaan vaikuttavia tekijöitä ovat mm. LTO-piirin tulo- ja poistopattereiden lukumäärä ja käyntiaikojen suhde, poistoilman lämpötila ja kosteus, eri poistopattereiden keskinäinen koko, mitoittava ulkoilman lämpötila, tulo- ja poistopattereiden ilmavirtojen suhde, lämmönsiirtimien mitoitus sekä käytetty lämmönsiirtoneste. Paras lopputulos saattaa tulla yhdistelemällä useita edellä mainittuja säätötapoja.

Kotisivuillamme esitetyt kytkentäkaaviot eivät sisällä toimintaselostusta. Toimintaselostuksella varustetun kytkentäkaavion saa pyydettäessä Retermialta.

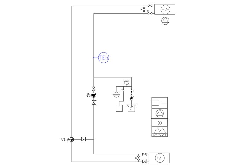
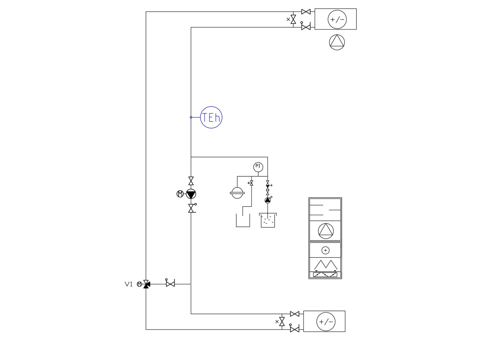
Vaihtoehto 1. Kolmitieventtiilisekoitus​

Vakio poistopuolen virtaama

Poistopatterin huurteenesto toteutetaan siten, että säätötilanteessa poistopatterilla on vakio liuosvirtaama ja tulopuolella muuttuva liuosvirtaama.

Edellä mainittu säätötapa toimii parhaiten, kun liuospiirissä on keskitetty poisto tai keskenään samankaltaisia poistopattereita, joilla on samankaltainen käyntiaika sekä samankaltainen poistoilman lämpötila ja kosteus.

Retermian LTO-järjestelmissä huurteen-/ umpeenjäätymisenestoa ohjataan tyypillisesti poistopatterilta palaavan lämpimän liuoksen lämpötilan mittauksen TEj perusteella.

Liuosverkoston painehäviön ollessa suuri voidaan kolmitieventtiili korvata kahdella, toisiinsa nähden käänteisesti toimivalla, kaksitieventtiilillä, joissa liuosvirtaama pienenee lineaarisesti venttiilin karan sulkeutuessa. Näin vältytään kolmitieventtiilin vaatiman 20–30 prosentin auktoriteetin aiheuttamalta lisäpainehäviöltä.

X = ohitus putkiston huuhtelua varten (palloventtiili)

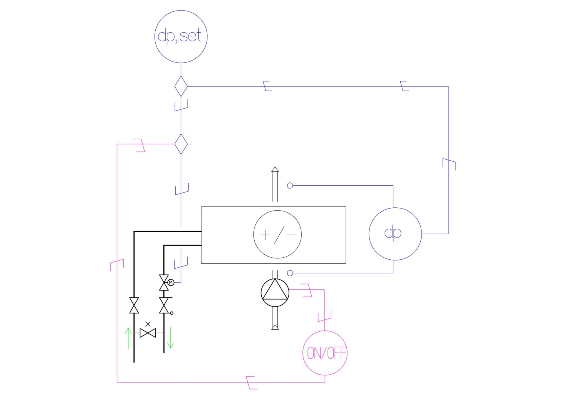
Vaihtoehto 2. Pysäytyssulatus

Tässä säätötavassa poistoilmavirta sulattaa patterin pinnalle kerääntyneen huurteen tai jään, eli kyseessä on huurteeneston sijaan neulalämmönsiirtimen umpeenjäätymisen estäminen. Tässä säätötavassa liuosvirtaama pysäytetään poistopatterikohtaisesti määräajaksi.

Tämä säätötapa soveltuu käytettäväksi parhaiten, kun LTO-piirissä on riittävä määrä poistopattereita (mieluiten 3 kpl tai enemmän) ja riittävän moni poistopatteri on kooltaan samaa suuruusluokkaa. LTO-piirin eri poistopattereilla ei tässä säätötavassa tarvitse kaikilla olla sama käyntiaika (etenkin jos tehonsäätö toteutetaan ilmapuolen paine-eromittauksen perusteella). Kyseinen säätötapa on paras vaihtoehto, kun huurteen- tai jäätymisenesto halutaan suorittaa neulalämmönsiirtimen ilmapuolen paine-eron mittauksen perusteella.

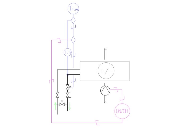
Vaihtoehto 2.1

Poistopatterin umpeenjäätymisenesto toteutetaan pysäyttämällä liuosvirtaama määräajaksi poistopatterikohtaisesti poistopatterilta palaavan lämpimän liuoksen mittauksen perusteella.

LTO-verkoston eri poistopattereille voidaan asettaa eri huurteenestolämpötiloja. Kyseisellä säätötavalla saadaan maksimaalinen hyöty laajoista LTO-verkostoista, joissa on useita eri poistopuolen lämmönsiirtimiä. Esimerkiksi keittiöstä syntyvää lämpöä voidaan hyödyntää mahdollisimman pitkään ulkoilman lämpötilan laskiessa.

X = ohitus putkiston huuhtelua varten (palloventtiili)

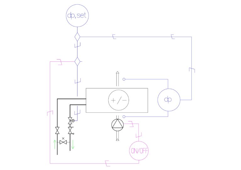
Vaihtoehto 2.2

Neulalämmönsiirtimen umpeenjäätymisenesto toteutetaan pysäyttämällä liuosvirtaama määräajaksi ilmapuolen paine-eromittauksen perusteella. Tämä säätötapa on ideaalinen alhaisilla nesteen lämpötiloilla (tuleva neste alle 0 °C) toimivissa jäähdytyspattereissa, joissa jäähdytettävä ilma on puhdasta ja ilmamäärä vakio. Esimerkkinä mainittakoon elintarviketeollisuuden tuotantotilat, joiden sisälämpötila halutaan pitää +2…+6 °C välillä. Edellä mainittujen tilojen jäähdytys toteutetaan usein kiertoilmakoneissa sijaitsevilla jäähdytyspattereilla, joissa jäähdytysnesteen lämpötila on tyypillisesti -10…0 °C

X = ohitus putkiston huuhtelua varten (palloventtiili)